In Part I [1] the concept of resonance was introduced and applied to the circuit models of the non-ideal passive components. In Part II the resonance phenomenon is explained using several common decoupling capacitor configurations. Simulation results are compared to the measurement results for different decoupling approaches.
1. Decoupling Capacitor and an RLC Resonant Structure
In [1] it was shown that a capacitor itself is an RLC resonant structure, with the input impedance curve similar to the one shown in Figure 1.

The plot shown in Figure 1 corresponds to a 120 pF capacitor with an internal parasitic capacitance of 0.214 nH. When a decoupling capacitor is placed on a PCB, an additional parasitic inductance coming from the PCB trace itself needs to be added to the circuit model.
To account for the inductance of a short PCB trace let’s increase the parasitic inductance in the circuit of Figure 1 to 2.4 nH and study the resonance for different combinations of capacitor values, each with the parasitic inductance of 2.4 nH, and parasitic resistance of 0.1 Ω.
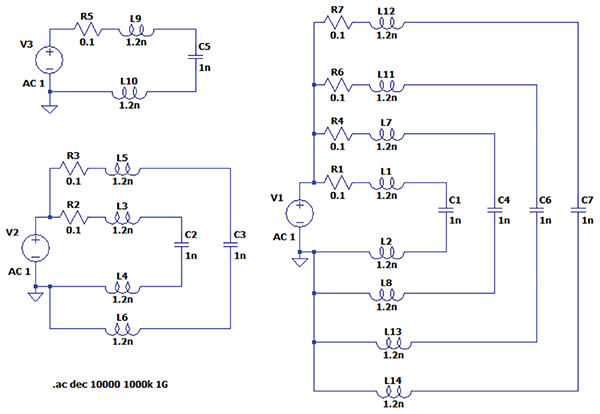
We begin by comparing the input impedance of a single 1 nF capacitor vs. the impedance of multiple capacitors of the same value.
2. Resonance – Single Capacitor vs. Multiple Capacitors of the Same Value
Consider a network consisting of a 1 nF capacitor with a circuit parasitic inductance of 2.4 nH, and a parasitic resistance of 0.1 Ω. Let’s look at the impedance curves of three different networks: single 1 nF capacitor, two 1 nF capacitors, and four 1 nF capacitors, shown in Figure 2.

The impedance curves for these networks are shown in Figure 3.

The resonant frequency of the series RLC circuit is given by [1]:
(1)
and is consistent with the value shown in Figure 3. L and C in Eq. (1) are the total inductances and capacitances, respectively. These values do not change for different configurations of Figure 2 since, at resonance, the capacitor networks are connected in parallel. The total parallel capacitance, Cpar, and the total parallel inductance, Lpar, (assuming that the mutual inductances are negligible [2]) are given by
(2a)
where n is the number of capacitors. And thus
(2b)
The impedance value at resonance does not stay constant and is equal to
(3)
In [3] we measured the impedance of four-layer PCBs populated with one 1 nF, two 1 nF and four 1 nF capacitors.
Figure 4 shows the impedance curves for the case of a single 1 nF capacitor vs. two 1 nF capacitors, while Figure 5. Compares two 1 nF capacitors vs. four 1 nF capacitors.


Note that, in Region 1, the measurement results, shown in Figures 4 and 5, are consistent with the simulation results of Figure 3.
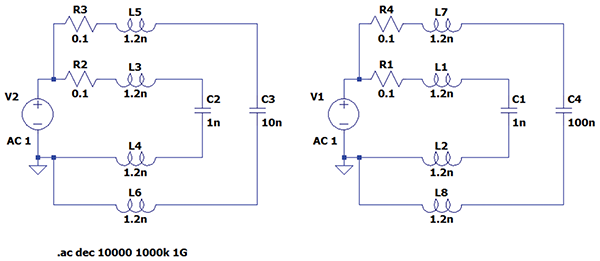
3. Resonance – Two Capacitors with Values Decades Apart
Next, consider a network with two capacitors, with their values either one or two decades apart, as shown in Figure 6.

The impedance curves for these networks are shown in Figure 7.

Let C1 = 100 nF, C2 = 10 nF, C3 = 1 nF. Under the condition C1 << C3, the first resonant frequency is approximately [4],
(4)
while under the condition C2 << C3, the second resonant frequency is approximately
(5)
The anti-resonant frequency can be approximated from
(6)
Note that these calculated resonant frequencies are consistent with the simulation results in Figure 7. Next, let’s compare these results with the measured values, shown in Figure 8.

Again, the measured resonant frequencies are consistent with the analytical and simulation results.
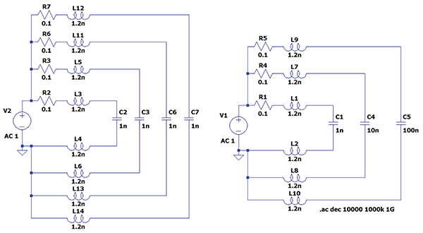
4. Resonance – Three Capacitors with Values Decades Apart
Finally, let’s consider a network with three capacitors decades apart and compare their impact against four capacitors of the same value, as shown in Figure 9.

The impedance curves for these networks are shown in Figure 10.

Note that now we have three resonant frequencies and two anti-resonant frequencies. Next, let’s compare these results with the measured values, shown in Figure 11.

Note that the measured resonant frequencies are consistent with the calculated and simulated values. Also, the measured anti-resonant frequencies agree with the predicted simulated values.
References
- Bogdan Adamczyk, “EMC Resonance – Part I: Non-Ideal Passive Components,” In Compliance Magazine, February 2021.
- Henry W. Ott, Electromagnetic Compatibility Engineering, Wiley, 2009.
- Bogdan Adamczyk and Jim Teune, “Impact of Decoupling Capacitors and Embedded Capacitance on Impedance of Power and Ground Planes – Part II,” In Compliance Magazine, April 2020.
- Clayton R. Paul, Introduction to Electromagnetic Compatibility, Wiley, 2006.
