In the previous article, the CL and LC filters were discussed. In this article, the performance of the π and T filters is evaluated and compared to that of the CL and LC filters.
π and T Filter Configurations
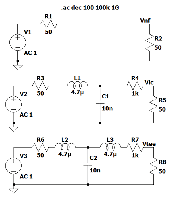
Low-pass π and T filters are shown in Figure 1.

The performance of these filters will be evaluated in the configurations where the source impedance is low (50 Ω) and the load impedance is high (1kΩ), as shown in Figures 2 and 3 (these are the same configurations that were evaluated in [1] for CL and LC filters).


Verification via Simulations and Measurements
π and T Filter Comparison
Figure 3 shows the LT spice simulation schematic. The 50 Ohm source impedance is provided by the network analyzer at Port 1. The measurement made by the network analyzer at Port 2 is across its internal 50 Ohm impedance. The filter configurations are tested with 1 kΩ impedance on the load side.
Figure 4 shows the insertion loss of the two filter configurations.

As can be seen from Figure 4, the π filter outperforms the T filter (except for a small range of frequency around the resonance point at 1 MHz). The insertion loss of the π filter at 10 MHz is about 29.5 dB higher than that of the T filter. This is consistent with the general rule that the inductor should be placed on the low-impedance side and the capacitor on the high-impedance side.
To verify the simulations results the measurement setup shown in Figure 5 was used.

Since a four-channel network analyzer was used, we could evaluate the two different filter configurations simultaneously. Figure 6 shows a close-up of the two PCB filter boards used in this measurement.

Figure 7 shows the measurement results for the two configurations shown in Figure 3 and simulated in Figure 4.

The measurement results are consistent with the simulation results. In the frequency range 100 kHz – 10 MHz the simulated and measured results are remarkably close, as summarized in Tables 1 and 2.


π and LC Filter Comparison
Next, let’s compare the insertion loss of the π filter with the insertion loss of the LC filter discussed in Part I [1]. Figure 8 shows the LT spice simulation schematic.

Figure 9 shows the insertion loss of the two filter configurations.

As can be seen from Figure 9, the π filter outperforms the LC filter (except for a small range of frequency around the resonance point at 1 MHz). The insertion loss of the π filter at 10 MHz is about 29.78 dB higher than that of the LC filter.
Figure 10 shows the measurement results for the two configurations shown in Figure 8 and simulated in Figure 9.

The measurement results are consistent with the simulation results. At 10 MHz the difference between the simulated insertion losses of the two filters is 29.78 dB which is close to the measured difference of 28.02 dB.
The insertion loss curve of the LC filter looks similar to the insertion loss curve of the T filter. Let’s compare these two filters.
T and LC Filter Comparison
Figure 11 shows the LT spice simulation schematic.

Figure 12 shows the insertion loss of the two filter configurations.

Figure 13 shows the measurement results for the two configurations shown in Figure 11 and simulated in Figure 12.

It is apparent that the LC and T filter insertion losses are very similar. Since the LC filter contains one fewer inductor, it should be chosen over the T filter.
Conclusions of the filter studies in Part I [1] and Part II
Note: These conclusions are based on the filter study with the source impedance of 50 Ω, load impedance of 1 kΩ, and the component values L = 4.7 µH, C = 10 nF.
- LC filter outperforms the CL filter
- π filter outperforms T filter
- π filter outperforms LC filter
- Insertion losses of the LC filter and T filters are virtually identical
References
- Bogdan Adamczyk and Dimitri Haring, “EMC Filters Comparison Part I: CL and LC Filters,” In Compliance Magazine, January 2020.
- Bogdan Adamczyk, Foundations of Electromagnetic Compatibility with Practical Applications, Wiley, 2017.
- https://link.springer.com/content/pdf/10.1007%2F978-3-642-27326-1_90.pdf
